Data ya kiufundi
| Mfano | 2KVH |
| Kiwango cha juu cha mtiririko (L/min) | 50 |
| Shinikizo la juu la kufanya kazi (MPa) | 25 |
| Valve mwili (Nyenzo) Matibabu ya uso | (kutupwa) uso wa phosphating |
| Usafi wa mafuta | NAS1638 darasa la 9 na ISO4406 darasa 20/18/15 |
Mikondo ya tabia (iliyopimwa kwa HLP46,Voil=40℃±5℃)
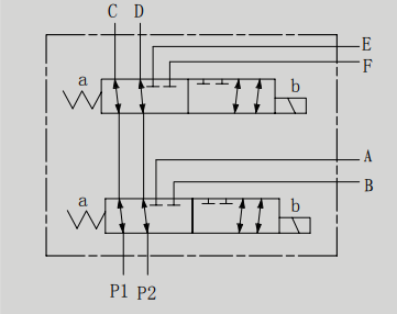
Vipimo vya Ufungaji










